Typ:
RAS-250
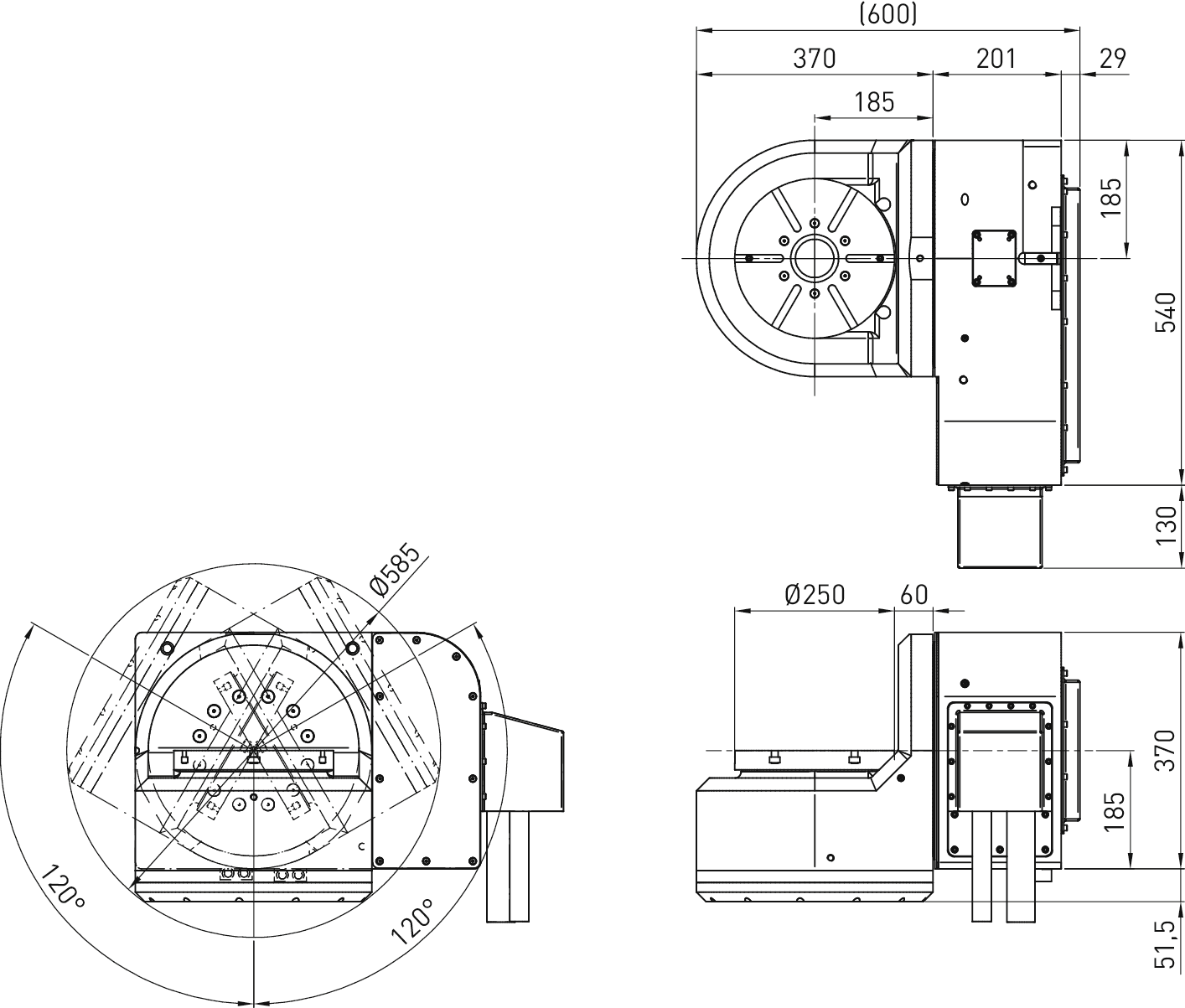
Abmessungen
| Technische Daten | |||
|---|---|---|---|
| Antriebsmotor Drehachse | TMRW73 | ||
| Antriebsmotor Schwenkachse | TMRW77 | ||
| Max. Drehzahl Drehachse | 200 | 1/min | |
| Max. Drehzahl Schwenkachse | 80 | 1/min | |
| Dauermoment Drehachse | 145 | Nm | |
| Dauermoment Schwenkachse | 335 | Nm | |
| Spitzenmoment Drehachse | 275 | Nm | |
| Spitzenmoment Schwenkachse | 640 | Nm | |
| Klemmung | Pneumatisch (6 bar) | ||
| Haltemoment Klemmung Drehachse | 600 | Nm | |
| Haltemoment Klemmung Schwenkachse | 1500 | Nm | |
| Genauigkeit | 2,5/5,0/15,0 | arcsec | |
| Tischdurchmesser | 250 | mm | |
| Mitte Schwenkachse | 185 | mm | |
| Tischhöhe | 185 | mm | |
| Breite T-Nut | 12 H8 | mm | |
| Masse | 300 | kg | |
| Max. Nutzlast | 85 | kg | |