Typ:
DGC-25-XX-PO
Č. výrobku:
80118726
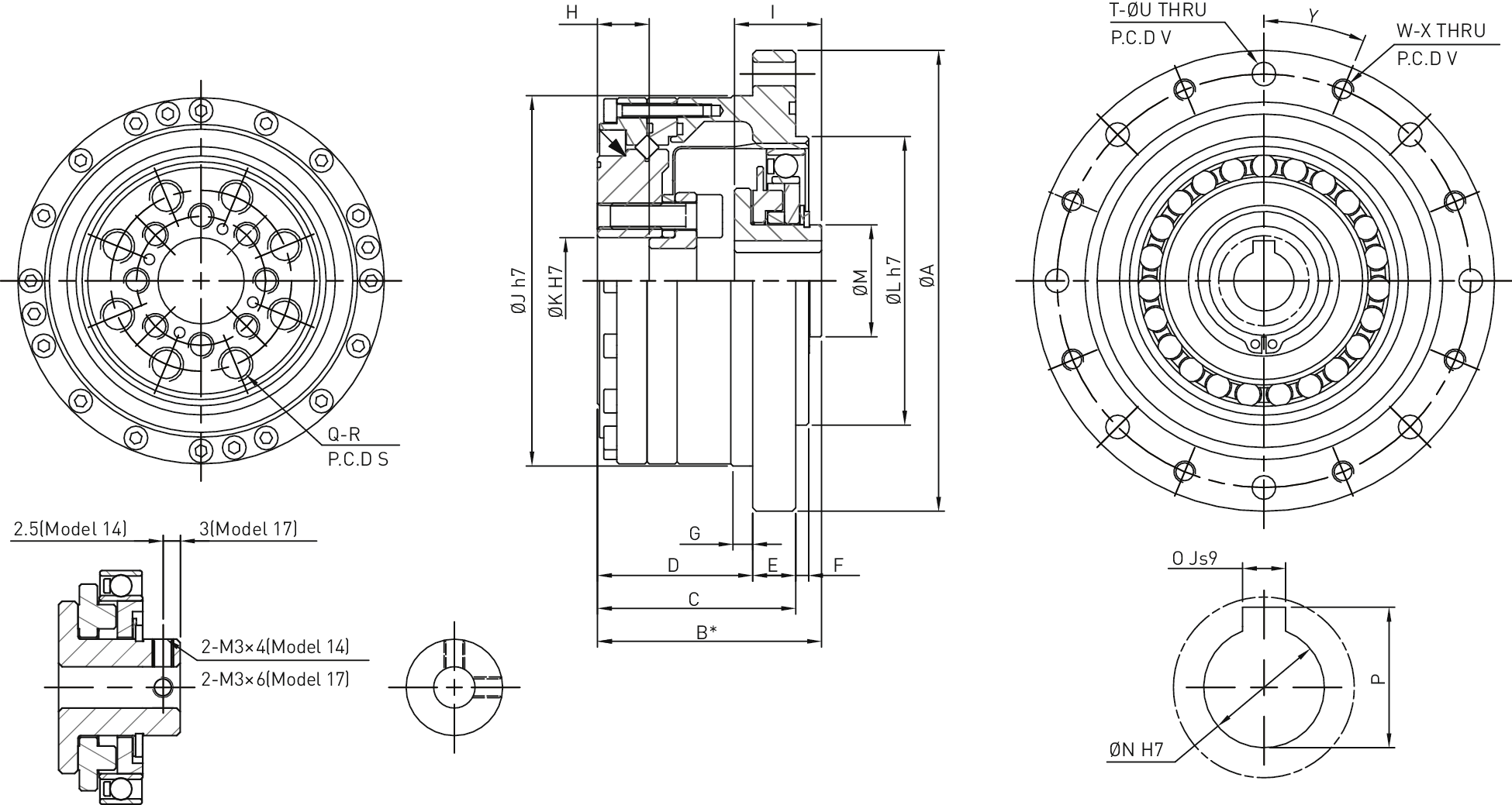
Dimensions
| (DT_Dimensions) | |||
|---|---|---|---|
| A | 107 | mm | |
| B | 52 | mm | |
| C | 46 | mm | |
| D | 36 | mm | |
| E | 10 | mm | |
| F | 3 | mm | |
| G | 5 | mm | |
| H | 12 | mm | |
| I | 21,6 | mm | |
| J | 86 | mm | |
| K | 20 | mm | |
| L | 67 | mm | |
| M | 26 | mm | |
| N | 14 | mm | |
| O | 5 | mm | |
| P | 16,3 | mm | |
| Q | 8 | mm | |
| R | M8 × 12DP | ||
| S | 42 | mm | |
| T | 10 | ||
| U | 5,5 | mm | |
| V | 96 | mm | |
| W | 10 | ||
| X | M5 | ||
| Y | 18 | ° | |
| 0,413 | ×10–4kgm2 | ||
| Označenie | Kategória | Výrobok | Veľkosť | Jazyk |
|---|---|---|---|---|
| DATORKER® shaft gear unit | Project planning sheet | Strain wave gears | 238 KB | |
| DATORKER® shaft gear unit | Catalogue | Strain wave gears | 3 MB | |
| DATORKER® strain wave gear DSC, DSH | Assembly Instructions | Strain wave gears | 8 MB | |
| Our DATORKER ® | Flyer | Strain wave gears | 1 MB |
DATORKER® strain wave gears – Functional principle and design
The following video shows the operating principle and design of HIWIN DATORKER® strain wave gears.