Skip to content Skip to navigation menu
Type:
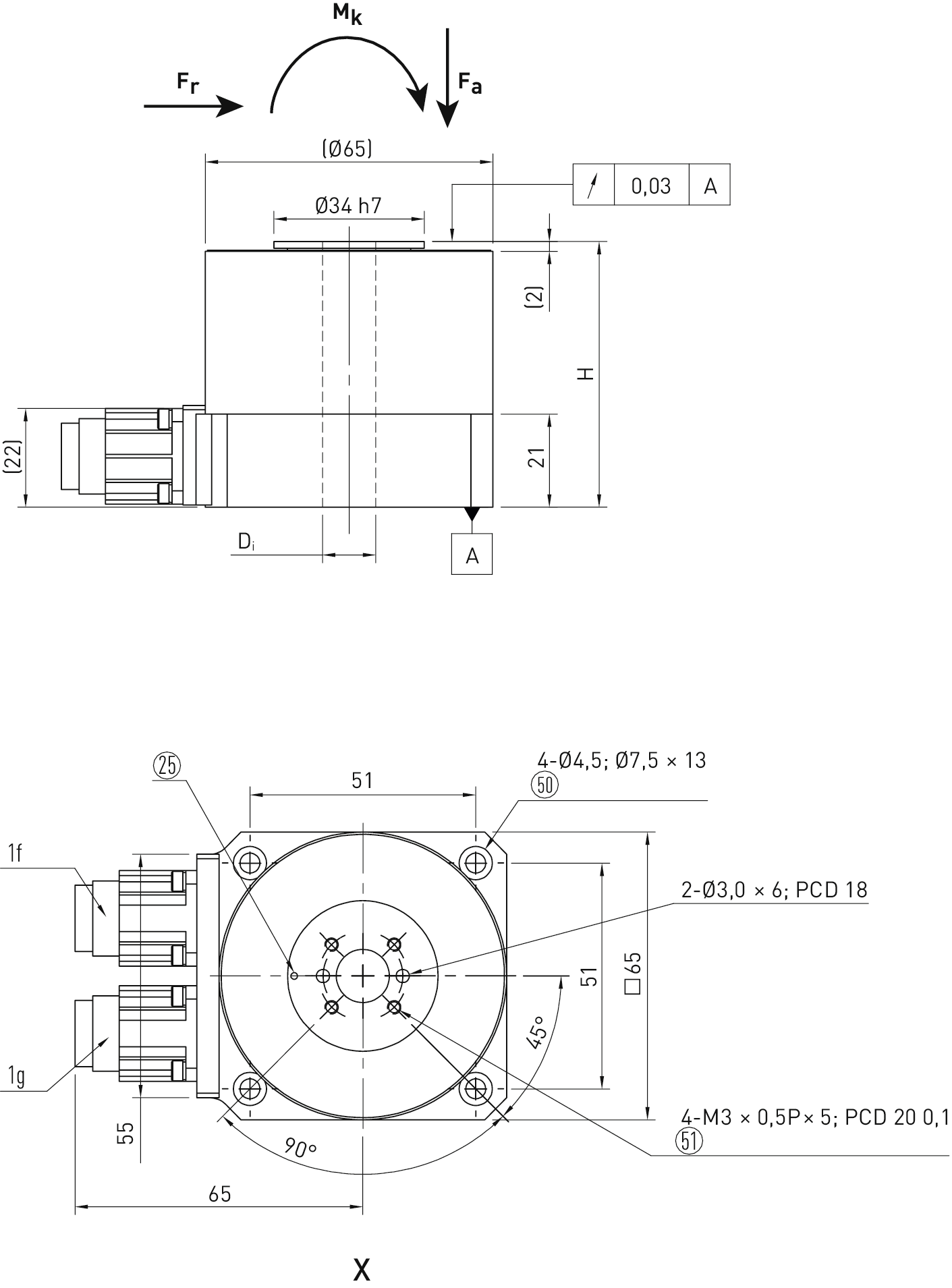
DMN21-R000
Article number:
80072006
CAD
Data sheet

Dimensions

Dimensions

Technical data of rotary table
Tp Peak torque (for 1 sec.) 0,96 Nm
Tc Continuous torque 0,32 Nm
Ts Stall torque 0,22 Nm
J Mass inertia moment 0,000025 kgm²
Mass 0,65 kg
Fa Max. axial load 100 N
Fr Max. radial load 50 N
Mk Max. tilting moment 1,5 Nm
Max. speed (600 VDC) 1500 1/min
Max. speed (325 VDC) 1500 1/min
Accuracy ± 45 arcsec
Repeatability ± 2.5 arcsec
Radial run-out 0,03 mm
Axial run-out 0,03 mm
Outer diameter 65 mm
Di Hollow shaft diameter 12 mm
H Height 60 mm
Protection class IP40
Technical data of motor
Ip Peak current (for 1 sec.) 5,7 Aeff
Ic Continuous current 1,9 Aeff
Km Motor constant 0,09 Nm/⎷W
R25 Winding resistance 2,55 Ω
L25 Inductance 8,4 mH
Te Electrical time constant 3,3 ms
Kt Torque constant 0,17 Nm/Aeff
Ku Back EMF constant 0,1 Veff/(rad/s)
2p Number of poles 10
Rth Thermal resistance 1,65 °C/W
Tth Thermal time constant 25 s
Thermal protection PTC SNM 100
Max. DC bus voltage 600 V
Description Category Product Size Language
DMN21 ATOM Data sheet Rotary tables 221 KB
Our rotary tables with functional safety encoders Flyer Rotary tables 129 KB
Rotary tables DMS, DMN Assembly Instructions Rotary tables 1 MB
Rotary tables Project planning sheet Rotary tables 1 MB
Rotary tables Catalogue Rotary tables 1 MB
To Download Center